Let op: aangepaste levertijden rond Pinksteren
Wij zijn gesloten op 25 mei. Bestellingen deze dag worden vanaf de eerstvolgende werkdag verwerkt en verzonden. Bestel op tijd om vertraging te voorkomen. Bedankt voor uw begrip en een prettige Pinksteren gewenst!
Deze push-in fittingen zijn uitgevoerd in PVDF en worden standaard voorzien van FKM-seals met FDA-keur.
Met werktemperaturen tot 120°C (medium) / 60°C (omgeving) en werkdrukken van 12/20 bar bij een temperatuur van 20°C zijn deze fittingen een economisch alternatief voor de RVS316L uitvoering wanneer niet het uiterste wordt gevraagd op het gebied van druk en/of temperatuur (t.o.v. 316L).
Hierdoor zijn deze fittingen uitermate geschikt voor onder andere chemische installaties en farmaceutische toepassingen. De onderdelen van de push-in fittingen worden gewassen, geassembleerd en verpakt in een cleanroom.

|
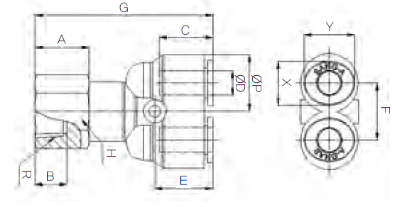
MODEL |
ØD |
ØP |
A |
B |
C |
E |
F |
G |
R |
H |
X |
Y |
|
CR-PWF 04M5 |
4 |
11.8 |
8 |
5 |
14.5 |
13.1 |
10.8 |
35.4 |
M5 |
13 |
8.6 |
10.8 |
|
CR-PWF 0401 |
4 |
11.8 |
11 |
9 |
14.5 |
13.1 |
10.8 |
38.4 |
PT 1/8 |
13 |
8.6 |
10.8 |
|
CR-PWF 0402 |
4 |
11.8 |
14 |
12 |
14.5 |
13.1 |
10.8 |
41.4 |
PT 1/4 |
16 |
8.6 |
10.8 |
|
CR-PWF 06M5 |
6 |
14.7 |
8 |
5 |
15.6 |
14.9 |
13.6 |
39.5 |
M5 |
15 |
11 |
13 |
|
CR-PWF 0601 |
6 |
14.7 |
11 |
9 |
15.6 |
14.9 |
13.6 |
42.5 |
PT 1/8 |
15 |
11 |
13 |
|
CR-PWF 0602 |
6 |
14.7 |
14 |
12 |
15.6 |
14.9 |
13.6 |
45.5 |
PT 1/4 |
16 |
11 |
13 |
|
CR-PWF 0801 |
8 |
16.7 |
10 |
9 |
17.3 |
18.1 |
15.4 |
48.6 |
PT 1/8 |
17 |
13 |
15 |
|
CR-PWF 0802 |
8 |
16.7 |
14 |
12 |
17.3 |
18.1 |
15.4 |
52.6 |
PT 1/4 |
17 |
13 |
15 |
|
CR-PWF 0803 |
8 |
16.7 |
15 |
13 |
17.3 |
18.1 |
15.4 |
53.6 |
PT 3/8 |
19 |
13 |
15 |
|
CR-PWF 1002 |
10 |
19.3 |
14 |
12 |
19.4 |
17.5 |
17.7 |
54.5 |
PT 1/4 |
20 |
16 |
18.5 |
|
CR-PWF 1003 |
10 |
19.3 |
15 |
13 |
19.4 |
17.5 |
17.7 |
55.5 |
PT 3/8 |
20 |
16 |
18.5 |
|
CR-PWF 1004 |
10 |
19.3 |
19 |
16 |
19.4 |
17.5 |
17.7 |
59.5 |
PT 1/2 |
24 |
16 |
18.5 |
|
CR-PWF 1202 |
12 |
23.2 |
14 |
12 |
22.4 |
20.9 |
21.5 |
61.7 |
PT 1/4 |
24 |
19.5 |
22.5 |
|
CR-PWF 1203 |
12 |
23.2 |
15 |
13 |
22.4 |
20.9 |
21.5 |
62.7 |
PT 3/8 |
24 |
19.5 |
22.5 |
|
CR-PWF 1204 |
12 |
23.2 |
19 |
16 |
22.4 |
20.9 |
21.5 |
66.7 |
PT 1/2 |
24 |
19.5 |
22.5 |