RVS fittingen zijn speciaal ontwikkeld voor gebruik bij hoge temperaturen tot 200°C en daar waar andere materialen niet voldoen aan de gevraagde chemische resistentie. RVS fittingen worden met name ingezet binnen de voedingsmiddelen-, chemische- en farmaceutische industrie. Door de brede range aan modellen is er voor iedere gewenste inzet een model beschikbaar. De constructie van de fitting maakt het mogelijk om de aangesloten leiding in iedere gewenste stand te positioneren.
De fittingen worden voor assemblage gewassen. Verpakking vindt plaats in een cleanroom voor optimale bedrijfszekerheid.

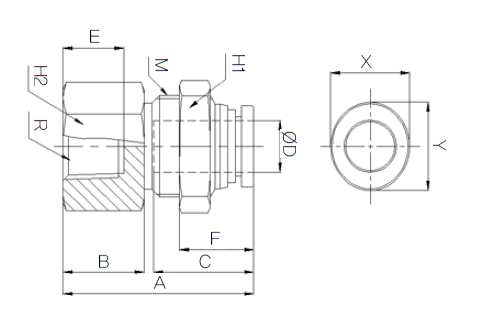
| MODEL | ØD | M | A | B | C | E | F | H | R | X | Y |
|---|---|---|---|---|---|---|---|---|---|---|---|
| F-PMF 0401 | 4 | M12X1 | 25.5 | 11 | 14.9 | 9 | 10.6 | 14 | 14 | PT1/8 | 8.6 |
| F-PMF 0601 | 6 | M15X1 | 26.75 | 9 | 15.75 | 9 | 11.25 | 19 | 17 | PT1/8 | 11 |
| F-PMF 0602 | 6 | M15X1 | 31.75 | 14 | 15.75 | 12 | 11.25 | 19 | 17 | PT1/4 | 11 |
| F-PMF 0801 | 8 | M17X1 | 30.4 | 9 | 17.75 | 9 | 13.8 | 21 | 19 | PT1/8 | 13 |
| F-PMF 0802 | 8 | M17X1 | 35.4 | 14 | 17.75 | 12 | 13.8 | 21 | 19 | PT1/4 | 13 |
| F-PMF 1002 | 10 | M20X1 | 32.7 | 13 | 19.8 | 12 | 14.4 | 22 | 22 | PT1/4 | 16 |
| F-PMF 1003 | 10 | M20X1 | 34.7 | 15 | 19.8 | 13 | 14.4 | 22 | 22 | PT3/8 | 16 |
| F-PMF 1203 | 12 | M24X1 | 37.4 | 14 | 22.4 | 13 | 16.4 | 24 | Op aanvraag | PT3/8 | 19.5 |
| F-PMF 1204 | 12 | M24X1 | 41.4 | 18 | 22.4 | 16 | 16.4 | 24 | Op aanvraag | PT1/2 | 19.5 |