Deze clean fittingen van Sang-A zijn uitermate geschikt voor uw toepassingen waar chemiebestendigheid van belang is. Deze fittingen zijn chemiebestendig door het gebruik van materialen als PP en RVS 1.4301 (304).
Alle onderdelen worden gewassen, geassembleerd en verpakt in een cleanroom met behulp van olievrije productiemachines. De draad is vervaardigd van RVS 1.4301 (304). Door de transparante eigenschap van het PP is het mogelijk de doorstromende vloeistof te zien.
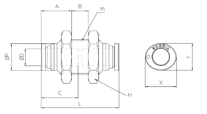
Het is bij deze fittingen van belang dat ze op het juiste aanhaalmoment worden gemonteerd.



|
MODEL |
ØD |
ØP |
A |
B |
C |
H |
L |
M |
X |
Y |
|
CLPMM 04 |
4 |
8.8 |
11.7 |
8.8 |
14.5 |
17 |
30.2 |
12×1 |
10.8 |
8.6 |
|
CLPMM 06 |
6 |
11 |
12.2 |
7.5 |
15.4 |
19 |
31.8 |
15×1 |
13 |
11.5 |
|
CLPMM 08 |
8 |
13 |
14.7 |
8 |
17.8 |
22 |
37.4 |
17×1 |
15 |
13 |
|
CLPMM 10 |
10 |
15 |
15 |
11 |
19.4 |
27 |
40.1 |
20×1 |
18.5 |
16 |
|
CLPMM 12 |
12 |
18.8 |
16.9 |
12 |
22.4 |
30 |
45.8 |
24×1 |
22.5 |
16 |
Voor dit product is momenteel geen documentatie beschikbaar. Neem contact op met onze technisch adviseurs voor meer informatie.